A-11.サイリスタは半導体で無接点スイッチとして使用できます。ダイオードはp型とn型の半導体を2つ接合させたものですが、これらの2種類の半導体を互い違いに4層積み重ねて接合させた素子をサイリスタ(シリコン制御整流素子)と云います。

使用しているSCRは平型タイプ と モジュール型と2種類あります。

![]() |
![]() |
![]() |
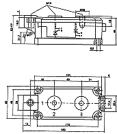
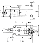
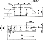
| モジュール500A/14E | モジュール250A/14E | モジュール100A/14E |
低圧は平型 860A, 1200A, 1850A 2650A, 3680A, 5640A を使用しており、モジュールは90A, 161A, 250A, 350A, 500A を使用してます。耐圧は1400V〜1800V
高圧は平型のみ 375A, 640A, 840A, 1250A, 2640A を使用してます。
耐圧は6500V/1pc
3直列 20000V/min(6600V使用)
2直列 9000A/min(3300V使用)